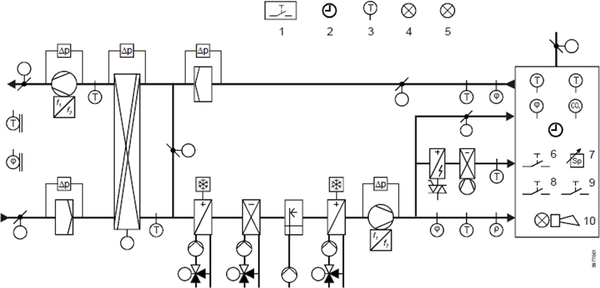
Climatix Air System Graphic Templates
The document Climatix AHU BACnet Objects CB1Y3963en states that the Climatix application AHU includes all the common functionalities to control and monitor air conditioning units. The following schemas give an overview of selectable measured values and control equipment, as provided by the Climatix R&D unit and as provided by the Desigo CC graphic template.


The following table includes all the objects configured in the graphic template, which are displayed by Desigo CC depending on the respective availability in the configuration of the Climatix unit application.
The Climatix object names are listed here together with a short description of the object, the object data type to which they belong, and the associated function key in Desigo CC.
Climatix Object Name | Description | Object DataType | Desigo CC Function Key |
AirQuality | Air quality | AI | SensRoomQuality |
ExhaustTmp | Exhaust Air Temperature | AI | SensTmp |
ExhFilAlm | Exhaust filter pressure | AI | SensAirDeltaPrs |
ExtraFrstTmp | Heating 2 forst temp | AI | SensTmp |
ExtraSupplyTmp | Supply Air Temp 2 | AI | SensTmp |
ExtSetpointSpv | External Setpoint | AI | SptTmp |
HrecSupplyTmp | HeatRecovery Supply Air Temp | AI | SensTmp |
HrecWtrTmp | HeatRecovery water temp | AI | SensTmp |
HtgFrstTmp | Heating frost temp | AI | SensTmp |
OutHum | Outside Air humidity | AI | SensOutHum |
OutTmp | Outside air temperature | AI | SensOutTmp |
ReturnPrs | Exhaust Air Pressure | AI | SensAirPrs |
RoomHum | Room humidity | AI | SensRoomHum |
RoomTmp | Room temperature | AI | SensRoomTmp |
RoomTmp2 | Room temp 2 | AI | SensRoomTmp |
SplyFilAlm | Supply filter pressure | AI | SensAirDeltaPrs |
SupplyHum | Supply air humidity | AI | SensAirHum |
SupplyPrs | Supply Air Pressure | AI | SensAirPrs |
SupplyTmp | Supply air temp | AI | SensAirTmp |
CoolingPmpVarPos | Cooling pump | AO | PmpVrbl |
CoolingPos | Cooling | AO | VlvVarClg |
ExhFanVarPos | Exhaust fan | AO | FanVrbl |
ExtraClgPmpVarPos | Cooling 2 pump | AO | PmpVrbl |
ExtraHtgPmpVarPos | Heating 2 pump | AO | PmpVrbl |
ExtraHtgPos | Extra Heating 2 | AO | VlvVarHtg |
HeatingPmpVarPos | Heating pump | AO | PmpVrbl |
HeatingPos | Heating | AO | VlvVarHtg |
HrecDampPos | HeatRecovery damper | AO | DamperVrbl |
HRecPmpVarPos | HeatRecovery pump | AO | PmpVrbl |
HrecPos | HeatRecovery | AO | VlvVar |
HumidityCtrlPmpVarPos | Humidity pump | AO | PmpVrbl |
HumidityCtrlPos | Humidity | AO | VlvVarHum |
SplyFanVarPos | Supply fan | AO | FanVrbl |
ActMainSpvClg | Actual cooling setpoint Main (depending on actual controlmode) | AV | SptTmp |
ActMainSpvHtg | Actual heating setpoint Main (depending on actual controlmode) | AV | SptTmp |
ActMainSpvHum | Actual humidity setpoint Main (depending on actual controlmode) | AV | SptHum |
AirQSpv | Air quality setpoint | AV | SptAirQuality |
HumSpvRelSpvDehum | Dehumidity setpoint relative | AV | SptHum |
HumSpvRelSpvHum | Humidity setpoint relative | AV | SptHum |
TmpSpvCoDz | Comfort temp deadzone | AV | SptTmp |
TmpSpvCoSpv | Comfort temp base setpoint | AV | SptTmp |
TmpSpvCoSpvClg | Comfort cooling setpoint | AV | SptTmp |
TmpSpvCoSpvHtg | Comfort heating setpoint | AV | SptTmp |
TmpSpvEcDz | Economy temp deadzone | AV | SptTmp |
TmpSpvEcSpv | Economy temp base setpoint | AV | SptTmp |
TmpSpvEcSpvClg | Economy cooling setpoint | AV | SptTmp |
TmpSpvEcSpvHtg | Economy heating setpoint | AV | SptTmp |
ManualMode | Manual mode | BV | MonMode |
ScheduleSt | Schedule (variant step) | Calendar |
|
ClgAlm | Cooling DX alarm | DI | MonAlm |
ClgPmpAlm | Cooling Pump Alarm | DI | MonAlm |
EmergencyStop | Emergency Stop | DI | SwtcBin |
ExhFanAlm | Exhaust Fan Alarm | DI | MonAlm |
ExhFanFBFbVal | Exhaust fan feedback | DI | MonStat |
ExhFilterAlm | Exhaust Filter alarm | DI | MonFilt |
ExtCtrl1 | External Control 1 | DI | SwtcBin |
ExtraClgAlm | Cooling 2 DX alarm | DI | MonAlm |
ExtraClgPmpAlm | Cooling 2 pump alarm | DI | MonAlm |
ExtraHtgPmpAlm | Extra Heating Pump Alarm | DI | MonAlm |
FireAlm | Fire Alarm | DI | MonFire |
HRecAlm | HeatRecovery alarm | DI | MonAlm |
HrecPmpAlm | HeatRecover Pump Alarm | DI | MonAlm |
HtgPmpAlm | Heating Pump Alarm | DI | MonAlm |
HumidityCtrlPmpCmdFBFbVal | Humidity pump feedback | DI | MonStat |
SmkAlm | Smoke Alarm | DI | MonAirSmk |
SplyFanAlm | Supply Fan Alarm | DI | MonAlm |
SplyFanFBFbVal | Supply fan feedback | DI | MonStat |
SplyFilterAlm | Supply Filter alarm | DI | MonFilt |
SuWiSwtch | Summer\Winter input | DI | SwtcBin |
AlmOutHigh | Alarm Output 1 | DO |
|
CoolingPmpCmdOnOff | Cooling pump cmd | DO | PmpDigital |
DamperExhOnOff | Extract air damper cmd | DO | DamperBin |
DamperSplyOnOff | Outside air damper cmd | DO | DamperBin |
ExtraClgPmpCmdOnOff | Cooling 2 pump cmd | DO | PmpDigital |
ExtraHtgPmpCmdOnOff | Extra Heating pump cmd | DO | PmpDigital |
HeatingPmpCmdOnOff | Heating pump cmd | DO | PmpDigital |
HrecPmpCmdOnOff | HeatRecovery pump cmd | DO | PmpDigital |
HumidityCtrlCmdOnOff | Humidifier cmd | DO | CmdDigital |
HumidityCtrlPmpCmdOnOff | Humidifier pump cmd | DO | PmpDigital |
CoolingCmdDxSt | Cooling DX cmd | MSO | CmdStage |
ElectricalHtgCmdStSt | Electrical Heating cmd | MSO | CmdStage |
ExhFanCmdSt | Exhaust fan cmd | MSO | CmdStage |
ExtraClgCmdDxSt | Cooling 2 DX cmd | MSO | CmdStage |
ExtraElHtgCmdStSt | Electrical Heating 2 cmd | MSO | CmdStage |
SplyFanCmdSt | Supply fan cmd | MSO | CmdStage |
ActOpMode | Actual operating mode (State is depending on configuration) | MSV | MonMode |
ActOpSta | Actual operating state (Reason for actual operation mode) | MSV | MonStat |
